Купить Соединение WDS12 (корпус) от производителя Cast
Купить Соединение WDS12 (корпус) от производителя Cast
289
руб.
Есть в наличии
Количество:
Доступно
Артикул:
105517.1
Вес:
0
кг.
Если Вы хотите заказать фитинг из нержавеющей стали AISI 316, замените первые две цифры артикула с 10.... на 11....
Если Вы хотите заказать фитинг из нержавеющей стали AISI 316 с гайкой из нержавеющей стали AISI 304, замените первые две цифры артикула с 10.... на 14....
Если Вы хотите заказать фитинг из нержавеющей стали AISI 316 с гайкой из нержавеющей стали AISI 304, замените первые две цифры артикула с 10.... на 14....
Характеристики
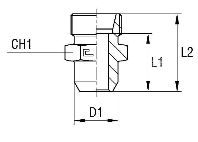
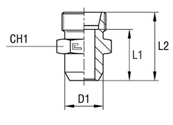
| Артикул | Бренд | CH1 | CH2 | D1 | L1 (мм) | L2 (мм) | L3 | Ø трубы D1 | WP (bar) | серия | Стандарт ТС |
| 105517.1 | CAST | 22 | 24 | 17 | 24,5 | 32 | 41 | 12 | 630 | S | Соединения 24° DIN 2353 |
-
D трубы M1 D112
-
WP (bar) рабочее давление630
-
БрендCast
-
Размер CH122
-
Размер CH224
-
Размер D117
-
Размер L1 (мм)24,5
-
Размер L2 (мм)32
-
Размер L341
-
СерияS
-
Стандарт трубных соединенийСоединения 24° DIN 2353