Купить Соединение WDS14 (корпус) от производителя Cast
Купить Соединение WDS14 (корпус) от производителя Cast
479
руб.
Есть в наличии
Количество:
Доступно
Артикул:
105518.1
Вес:
0
кг.
Если Вы хотите заказать фитинг из нержавеющей стали AISI 316, замените первые две цифры артикула с 10.... на 11....
Если Вы хотите заказать фитинг из нержавеющей стали AISI 316 с гайкой из нержавеющей стали AISI 304, замените первые две цифры артикула с 10.... на 14....
Если Вы хотите заказать фитинг из нержавеющей стали AISI 316 с гайкой из нержавеющей стали AISI 304, замените первые две цифры артикула с 10.... на 14....
Характеристики
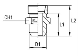
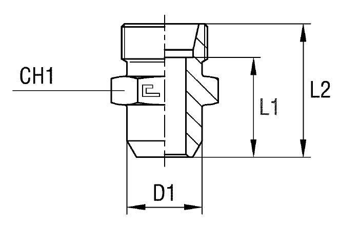
| Артикул | Бренд | CH1 | CH2 | D1 | L1 (мм) | L2 (мм) | L3 | Ø трубы D1 | WP (bar) | серия | Стандарт ТС |
| 105518.1 | CAST | 24 | 27 | 19 | 27 | 35 | 45 | 14 | 630 | S | Соединения 24° DIN 2353 |
-
D трубы M1 D114
-
WP (bar) рабочее давление630
-
БрендCast
-
Размер CH124
-
Размер CH227
-
Размер D119
-
Размер L1 (мм)27
-
Размер L2 (мм)35
-
Размер L345
-
СерияS
-
Стандарт трубных соединенийСоединения 24° DIN 2353