Промышленные рукава AlfaGomma (Италия), фитинги Cast (Италия) - официальные поставки в Россию

Купить Заглушка V (Ш) BSP3/8" от производителя Cast

576
руб.
Есть в наличии
Количество:
Доступно
Артикул:
107803
Вес:
0
кг.

Если Вы хотите заказать изделие из нержавеющей стали, замените первые две цифры артикула с 10... на 11...

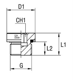
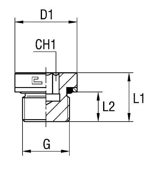
Характеристики

АртикулБрендCH1L1 (мм)L2 (мм)Ø трубы D1WP (bar)резьба GсерияСтандарт ТС
107803CAST81610,2223153/8LСоединения 24° DIN 2353
  • D трубы M1 D1
    22
  • WP (bar) рабочее давление
    315
  • Бренд
    Cast
  • Размер CH1
    8
  • Размер L1 (мм)
    16
  • Размер L2 (мм)
    10,2
  • Размер резьбы 5
    3/8
  • Серия
    L
  • Стандарт трубных соединений
    Соединения 24° DIN 2353