Штуцер FC90 DL18 NPT 3/4" (корпус)
Штуцер FC90 DL18 NPT 3/4" (корпус)
2 084
руб.
Есть в наличии
Количество:
Доступно
Артикул:
102134.1
Вес:
0
кг.
Если Вы хотите заказать фитинг из нержавеющей стали AISI 316, замените первые две цифры артикула с 10.... на 11....
Если Вы хотите заказать фитинг из нержавеющей стали AISI 316 с гайкой из нержавеющей стали AISI 304, замените первые две цифры артикула с 10.... на 14....
Позиция не соответствует норме ISO 8434-1.
Если Вы хотите заказать фитинг из нержавеющей стали AISI 316 с гайкой из нержавеющей стали AISI 304, замените первые две цифры артикула с 10.... на 14....
Позиция не соответствует норме ISO 8434-1.
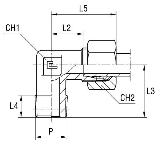
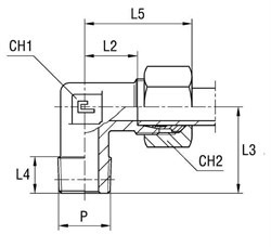
Характеристики
| Артикул | Бренд | CH1 | CH2 | L1 (мм) | L2 (мм) | L3 | L4 | L5 | Ø трубы D1 | WP (bar) | резьба P | серия | Стандарт ТС |
| 102134.1 | CAST | 27 | 32 | 34 | 26,5 | 42 | 20 | 43 | 18 | 315 | 3/4 | L | Соединения 24° DIN 2353 |
-
D трубы M1 D118
-
WP (bar) рабочее давление315
-
Размер CH127
-
Размер CH232
-
Размер L1 (мм)34
-
Размер L2 (мм)26,5
-
Размер L342
-
Размер L420
-
Размер L543
-
Размер резьбы 73/4
-
СерияL
-
Стандарт трубных соединенийСоединения 24° DIN 2353