Промышленные рукава AlfaGomma (Италия), фитинги Cast (Италия) - официальные поставки в Россию

Купить Соединение PN90 DL06 М12х1.5 от производителя Cast

380
руб.
Есть в наличии
Количество:
Доступно
Артикул:
604204.1
Вес:
0
кг.

Если Вы хотите заказать изделие из нержавеющей стали, замените первые две цифры артикула с 60... на 61...

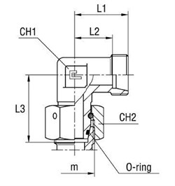
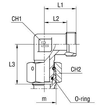
Характеристики

АртикулБрендCH1CH2CH3L1 (мм)L2 (мм)L3L4Ø трубы D1Ø трубы D2WP (bar)резьба m D1резьба m D2серияСтандарт ТС
604204.1CAST121414191226276650012x1.512x1.5LСоединения 24° DIN 2353
  • D трубы M1 D1
    6
  • D трубы M2 D2
    6
  • WP (bar) рабочее давление
    500
  • Бренд
    Cast
  • Размер CH1
    12
  • Размер CH2
    14
  • Размер CH3
    14
  • Размер L1 (мм)
    19
  • Размер L2 (мм)
    12
  • Размер L3
    26
  • Размер L4
    27
  • Размер резьбы 1
    12x1.5
  • Размер резьбы 2
    12x1.5
  • Серия
    L
  • Стандарт трубных соединений
    Соединения 24° DIN 2353