Промышленные рукава AlfaGomma (Италия), фитинги Cast (Италия) - официальные поставки в Россию

Купить Соединение PN90 DS20 М30х2 (в сборе) от производителя Cast

1 737
руб.
Есть в наличии
Количество:
Доступно
Артикул:
604220
Вес:
0
кг.

Если Вы хотите заказать изделие из нержавеющей стали, замените первые две цифры артикула с 60... на 61...

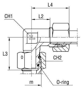
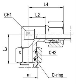
Характеристики

АртикулБрендCH1CH2CH3L1 (мм)L2 (мм)L3L4Ø трубы D1Ø трубы D2WP (bar)резьба m D1резьба m D2серияСтандарт ТС
604220CAST2736363726,544,548202042030x230x2SСоединения 24° DIN 2353
  • D трубы M1 D1
    20
  • D трубы M2 D2
    20
  • WP (bar) рабочее давление
    420
  • Бренд
    Cast
  • Размер CH1
    27
  • Размер CH2
    36
  • Размер CH3
    36
  • Размер L1 (мм)
    37
  • Размер L2 (мм)
    26,5
  • Размер L3
    44,5
  • Размер L4
    48
  • Размер резьбы 1
    30x2
  • Размер резьбы 2
    30x2
  • Серия
    S
  • Стандарт трубных соединений
    Соединения 24° DIN 2353